Hi,
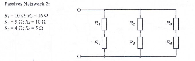
habe bei folgender gegebener Schaltung versucht, den Ersatzwiderstand zu berechnen. Kann vielleicht jemand kurz sagen, ob das so korrekt ist und wenn nicht, was ich falsch gemacht habe?

R3 + R6 = R36 = 10 Ω
R2 + R5 = R25 = 20 Ω
R1 + R4 = R14 = 20 Ω
(R36 * R25)/(R36 + R25) = R3625 = 20/3 Ω
(R3625 * R14)/(R3625 + R14) = Rges = 5 Ω
Gruß